If you are a regular reader you may remember a couple of posts I wrote about leisure battery charging in caravans and motorhomes (Smart Alternators: how they affect Caravans and Motorhomes…. and NEC Show Roundup – it’s all technical…) and I linked to a few videos that Charles Sterling from Sterling Power has produced covering charging topics and Euro6 engines. At the recent NEC show Sterling Power were featuring a new product that would soon be available that would solve all the issues for caravan owners that were experiancing towing with vehicles that had “smart alternators” which were are standard on Euro5 and Euro6 engines and the issues around regenerative braking on Euro6 engines. Charles promised to send me one of the first pre-production “Wildside” Battery to Battery chargers specifically designed for caravans.
A couple of days ago I was excited to receive a package from Sterling Power containing one of the pre-production new “Wildside” units. The unit itself is robustly constructed and weighs in at about the same as a bag of sugar – 1Kg.
It comes with a comprehensive 11 page instruction/installation manual that goes through all the steps that you need to install the units and what all the various lights and connections are on the unit itself. For anyone that is familiar with my electrical drawings, Sterling have based their installation drawings on my format so are easy to understand (in my opinion!).
I’ll state now for the record, Sterling Power have sent me this free of charge to install and evaluate and that is what I’m going to do, but I will be honest and tell you if I think there are any issues with the installation or the unit in the way that it operates.

Looking at the connections for the unit it all looks straight forward. The circuit board is labelled exactly as the drawings in the installation manual which is reassuring and the manual goes into the various functions of each connection and the programming of the unit.
Why this unit?
Since we had changed from using our 2006 Land Rover Freelander HSE as our primary tow vehicle to our 2016 VW Amarok Atacama I had noticed that our leisure battery was not getting close to a full charge even after towing for a couple of hours. We don’t have a solar charging system installed and relied on the tow vehicle and EHU when on site to keep our leisure battery topped up. I knew about the limitations of smart alternators and have written about them before and answered lots of emails about problems readers were now experiancing. Up to this point I really didn’t have an answer to most of the problems and I was considering going down the same route as our Australian cousins and installing some hefty cables between the tow vehicle and caravan, connected together with Anderson connectors. Works fine down under and would do here, especially coupled with one of Sterling Power’s B2B units which I had been looking at.
Now this would be ideal for us, but anyone who tows using a company car, a lease vehicle or a vehicle on a LP scheme can’t just go ahead and install stuff willy nilly. Unless it is done right, it has the potential to be a bit of a ticking bomb as well and if I was going to recommend it as a solution there are very few people with experience to do an installation of this type. I have seen some right botch jobs on heavy-duty cabling by so-called “professionals” when installing simple winches and dual battery systems on 4 x 4 off road vehicles. Using a lump hammer, cold chisel and block of metal is NOT the professional way to crimp battery cables!
I was looking round to see if there were other options and talking to the chaps on the Sterling Power stand at the show told me they had a product in development that might just be the solution…. and here we are!
How does it work?
I’m not going to give you chapter and verse on the internals (some of that would be guessing on my part and some is propriety information anyway) so I’ll simplify it as much as I can.
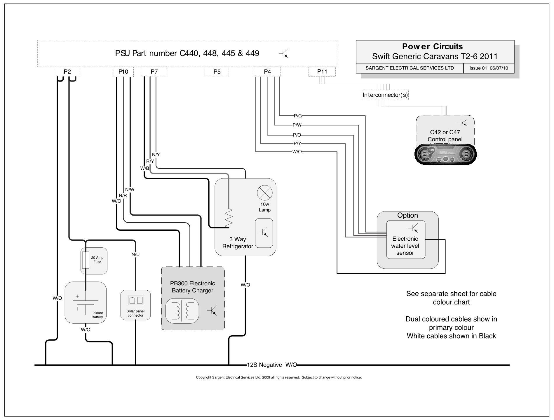
In current tow vehicles you have two connections that supply power to the caravan – one for the fridge which is only live when the engine runs and one for charging the leisure battery which is usually live all the time. Now the problem is that as it’s quite a distance from the front of the vehicle where the battery and alternator are to where the leisure battery and fridge are located in the caravan. The size of the cables providing the connections are key to how efficient it all works.
Nearly all good quality tow bar wiring uses 2.5 mm square (2.5mm²) cable for these circuits and they connect between the tow vehicle and caravan through a 13 pin plug and socket (or 12N & 12S in older vehicles). The problem with all this is down to good electrical ‘laws’. In essence the more current you draw through a length of cable the greater the voltage drop ( I go into a bit of techie detail about it here… Understanding Cable and Cable Sizes ) Some people go to the lengths of re-wiring the circuits in 4mm² or even 6mm² cable, which was OK up to a point… usually the point which is the connection between the vehicle and caravan. With the traditional installation what you end up with is two circuits that the voltage is usually too low to provide a good charging capability for the leisure battery and the fridge circuit that might or might not, depending on voltage drop, have some spare capacity but you can’t use it to charge the leisure battery.
Back to the Wildside unit…
What the Wildside unit does and this is really clever, is it takes over the two power circuits, aggregates them and manages the output. It draws the maximum current available through each of the two circuits and provides an output for the fridge always at the correct voltage to maximise the efficiency of your fridge and protect it from the voltage fluctuations inherent with Euro6 and Regen engines and any spare capacity on this circuit it added to the leisure battery charging circuit, steps up the voltage and provides a separate output via a four stage intelligent battery charger to maximise the charging capability to your leisure battery.
This is a very very simple one paragraph explanation, it does have a few other tricks up its sleeve though.
One feature is the “Remote Mode Select” switch option. This allows you to install a switch that will allow you to turn the unit to “Wildside”, “Boondocking” or “Off Grid” mode and run the fridge as though it was being powered from the vehicle. It is actually being powered from the leisure battery.
Take note though… Most caravans and motorhomes are fitted with absorption fridges which use a heated element that is constantly on to make the fridge work. However some motorhomes ( I don’t know of any caravans) are fitted with the more expensive and vastly more efficient compressor fridges which work exactly like your fridge at home but can’t run on gas. If you are camping off grid for a few days with an absorption fridge, then run it on gas. However if you are worried about your fridge not maintaining temperature on an hours ferry crossing or on a euro tunnel crossing then you can use the switch to keep the fridge running. The period you can power it will depend on the capacity of your battery(s)… I would not advise using it with and absorption fridge on a battery bank with anything less than 110Ah capacity.
If you do use this feature on the Wildside unit, it will protect your battery bank from discharging past the safe point by turning off the fridge when the voltage reduces and reaches a critical point that would damage your battries.
You also have the ability to specifically select the type of leisure battries you have installed – GEL I, GEL II, AGM I, AGM II, Sealed, Open, Calcium, LiFePO4 to get the correct tailored charging and maintenance program for your battery bank.
If you are fortunate to have lithium leisure batteries there are a couple of other connections you will need to check out too.
Installation Considerations…
We know what it does so how do we connect it. Well this is where it could get messy unless we have a plan.

In essence, what do we need to do? Well we have to cut and divert the incoming pin 9 and pin 10 into the Wildside unit and connect one output to the leisure battery. We also need to disconnect the fridge from the caravan’s original control box and reconnect it to the Wildside unit. As the habitation relay is usually buried inside the original control box we need to be able to control this from the Wildside unit. There is a terminal for this (“CVan Dis Output”) but what do we connect to this to make the habitation relay operate correctly?
The original Pin 10 lead that we cut and diverted into the Wildside unit, the other end of this still goes into the installed control box and this will operate the habitation relay. Remember we disconnected the fridge power lead from the installed control box and reconnected it directly to the FRG+ output on the Wildside unit so all it does now is operate the habitation relay.
So summing up, we have to cut 3 cables and re-terminate 5 ends into the Wildside unit. This of course does not include the neutral connections which will be easy and straight forward.
Other Considerations…
The installation of the Wildside unit must be easily reversible so it can be moved to another caravan at some point in the future.
We must also use the correct size cables to connect to the leisure battery as we will now be charging at higher currents than was possible before, the original cable that was installed in the caravan to connect to the leisure battery may not be of a sufficient rating.
We must document the changes properly so that at some point in the future someone can follow what we have done incase they have to fault find.
We must make sure all the connections and general installation are done to a high standard to ensure the installation is safe.
Finally we must be able to do the install without invalidating any warranty on the original installed control unit (i.e. not opening it up) and retain functionality of all the elements of the caravans electrical system. It’s no use installing the Wildside unit if half the electrical features of you caravan don’t work afterwards!
In Part 2…
In the next part I’ll go through the manufacturers electrical schematics of the caravan and show how to find and trace which cables we are going to look for when we do the install and how we produce a simple drawing showing the changes.
I’ll also come up with a quick check list for all the additional bits (cable, terminals etc) that we will need for the install.